Тула
Каталог
  • Муфты соединительные
    • Безлюфтовые муфты с готовым отверстием
    • Жесткие зажимные муфты
    • Цепные муфты
    • Кулачковые муфты GE с готовым отверстием
    • Кулачковые муфты GE под втулку тапербуш
    • Кулачковые муфты GE под расточку из чугуна
    • Кулачковые муфты GE под расточку из алюминия
    • Кулачковые муфты HRC под втулку тапербуш
    • Кулачковые муфты HRC под расточку
    • Кулачковые муфты N-EUPEX под втулку тапербуш
    • Кулачковые муфты N-EUPEX под расточку
    • Кулачковые муфты GE из стали
    • Безлюфтовые муфты под расточку
    • Зубчатые муфты GF
    • Муфты торообразные FLEX
    • Полиамидные гильзы для муфт GF/BOWEX
    • Упругие элементы для муфт торообразныx FLEX
    • Упругие элементы для муфт HRC
    • Упругие элементы для муфт GEB
    • Упругие элементы для муфт ES
    • Упругие элементы для муфт N-EUPEX
  • Втулки зажимные
    • ABRR
    • BK 10 из нержавеющей стали
    • BK 11 (RCK 11)
    • BK 13 (RCK 13)
    • BK 15 (RCK 15)
    • BK 16 (RCK 16)
    • BK 19 (RCK 19)
    • BK 26 (RCK 26)
    • BK 26/1 (RCK 26)
    • BK 30 из нержавеющей стали
    • BK 40 (RCK 40)
    • BK 40 из нержавеющей стали
    • BK 45 (RCK 45)
    • BK 50 (RCK 50)
    • BK 61 (RCK 61)
    • BK 61 из нержавеющей стали
    • BK 70 (RCK 70)
    • BK 71 (RCK 71)
    • BK 80 (RCK 80)
    • BK 80 из нержавеющей стали
    • BK 95 (RCK 95)
    • KBS 56 MINI
    • KBS 58 MINI
  • Втулки конические тапербуш
    • TB-1008
    • TB-1108
    • TB-1210
    • TB-1215
    • TB-1610
    • TB-1615
    • TB-2012
    • TB-2517
    • TB-3020
    • TB-3030
    • TB-3525
    • TB-3535
    • TB-4030
    • TB-4040
    • TB-4535
    • TB-4545
    • TB-5040
    • TB-5050
    • Винты для втулок TB
  • Клиновые ремни
    • Клиновые ремни A
    • Клиновые ремни B (Б)
    • Клиновые ремни C (В)
    • Клиновые ремни SPA и XPA
    • Клиновые ремни SPB и XPB
    • Клиновые ремни SPC и XPC
    • Клиновые ремни SPZ и XPZ
  • Цепи приводные роликовые
    • Американского стандарта
    • Европейского стандарта
    • Из нержавеющей стали
    • Соединительные и переходные звенья для роликовых цепей
  • Шкивы клиновые
    • Под втулку ТВ
  • Ступицы
    • Ступицы под соединение болтами
    • Ступицы приварные
  • Конические зубчатые пары
    • Конические прямозубые пары
  • Натяжные устройства
    • Автоматические осевые натяжители цепей и ремней Murtfeldt
    • Звездочки натяжные
    • Ролики для натяжения приводных ремней
    • Рычаги натяжители ROSTA
Бренды
Статьи
Компания
  • О компании
Контакты
    +7(966)-756-39-33
    +7(966)-756-39-33
    Заказать звонок
    E-mail
    info@emtshop.ru
    Режим работы

    Пн. – Пт.: с 9:00 до 18:00

    Заказать звонок
    Интернет-магазин бренда EMT
    • Муфты соединительные
      Муфты соединительные
      • Безлюфтовые муфты с готовым отверстием
      • Жесткие зажимные муфты
      • Цепные муфты
      • Кулачковые муфты GE с готовым отверстием
      • Кулачковые муфты GE под втулку тапербуш
      • Кулачковые муфты GE под расточку из чугуна
      • Кулачковые муфты GE под расточку из алюминия
      • Кулачковые муфты HRC под втулку тапербуш
      • Кулачковые муфты HRC под расточку
      • Кулачковые муфты N-EUPEX под втулку тапербуш
      • Кулачковые муфты N-EUPEX под расточку
      • Кулачковые муфты GE из стали
      • Безлюфтовые муфты под расточку
      • Зубчатые муфты GF
      • Муфты торообразные FLEX
      • Полиамидные гильзы для муфт GF/BOWEX
      • Упругие элементы для муфт торообразныx FLEX
      • Упругие элементы для муфт HRC
      • Упругие элементы для муфт GEB
      • Упругие элементы для муфт ES
      • Упругие элементы для муфт N-EUPEX
      • Еще
    • Втулки зажимные
      Втулки зажимные
      • ABRR
      • BK 10 из нержавеющей стали
      • BK 11 (RCK 11)
      • BK 13 (RCK 13)
      • BK 15 (RCK 15)
      • BK 16 (RCK 16)
      • BK 19 (RCK 19)
      • BK 26 (RCK 26)
      • BK 26/1 (RCK 26)
      • BK 30 из нержавеющей стали
      • BK 40 (RCK 40)
      • BK 40 из нержавеющей стали
      • BK 45 (RCK 45)
      • BK 50 (RCK 50)
      • BK 61 (RCK 61)
      • BK 61 из нержавеющей стали
      • BK 70 (RCK 70)
      • BK 71 (RCK 71)
      • BK 80 (RCK 80)
      • BK 80 из нержавеющей стали
      • BK 95 (RCK 95)
      • KBS 56 MINI
      • KBS 58 MINI
      • Еще
    • Втулки конические тапербуш
      Втулки конические тапербуш
      • TB-1008
      • TB-1108
      • TB-1210
      • TB-1215
      • TB-1610
      • TB-1615
      • TB-2012
      • TB-2517
      • TB-3020
      • TB-3030
      • TB-3525
      • TB-3535
      • TB-4030
      • TB-4040
      • TB-4535
      • TB-4545
      • TB-5040
      • TB-5050
      • Винты для втулок TB
      • Еще
    • Клиновые ремни
      Клиновые ремни
      • Клиновые ремни A
      • Клиновые ремни B (Б)
      • Клиновые ремни C (В)
      • Клиновые ремни SPA и XPA
      • Клиновые ремни SPB и XPB
      • Клиновые ремни SPC и XPC
      • Клиновые ремни SPZ и XPZ
      • Еще
    • Цепи приводные роликовые
      Цепи приводные роликовые
      • Американского стандарта
      • Европейского стандарта
      • Из нержавеющей стали
      • Соединительные и переходные звенья для роликовых цепей
      • Еще
    • Шкивы клиновые
      Шкивы клиновые
      • Под втулку ТВ
    • Ступицы
      Ступицы
      • Ступицы под соединение болтами
      • Ступицы приварные
    • Конические зубчатые пары
      Конические зубчатые пары
      • Конические прямозубые пары
    • Натяжные устройства
      Натяжные устройства
      • Автоматические осевые натяжители цепей и ремней Murtfeldt
      • Звездочки натяжные
      • Ролики для натяжения приводных ремней
      • Рычаги натяжители ROSTA
      • Еще
    Войти
    0 Избранное
    0 Корзина
    Муфты соединительные Клиновые ремни Втулки тапербуш Шкивы клиновые Цепи приводные роликовые Конические зубчатые пары Натяжные устройства
    Интернет-магазин бренда EMT
    Войти
    0 Избранное
    0 Корзина
    Тула
    Интернет-магазин бренда EMT
    Телефоны
    +7(966)-756-39-33
    Заказать звонок
    0
    0
    Интернет-магазин бренда EMT
    • Кабинет
    • 0 Избранное
    • 0 Корзина
    • Тула
      • Назад
      • Города
    • +7(966)-756-39-33
      • Назад
      • Телефоны
      • +7(966)-756-39-33
      • Заказать звонок
    • info@emtshop.ru
    • Пн. – Пт.: с 9:00 до 18:00

    Главная
    –
    Статьи
    –
    Обзоры товаров
    –Зубчатые шкивы по изношенным образцам: как мы восстановили привод, когда не было чертежей

    Зубчатые шкивы по изношенным образцам: как мы восстановили привод, когда не было чертежей

    Зубчатые шкивы по изношенным образцам: как мы восстановили привод, когда не было чертежей | Статьи бренда ЕМТ

    Вместо документации две изношенные детали

    В промышленности существует негласное правило: техническая документация стареет быстрее, чем оборудование. Архивы теряются при смене собственников, чертежи выцветают на микрофильмах, а файлы CAD оказываются на носителях, которые уже нечем прочитать. Именно в такой ситуации оказался один из наших клиентов.

    На его производстве вышли из строя ключевые элементы зубчато-ременной передачи - два шкива. Оборудование встало. Простой был недопустим: за ним тянулись контрактные обязательства и срыв производственного цикла. Однако привычный путь «найти чертежи и заказать новые детали» оказался закрыт. Документация на узел не сохранилась. Готовых аналогов на рынке не существовало, поскольку шкивы имели нестандартные посадочные размеры и оригинальную конфигурацию крепления.

    Единственным материальным свидетельством того, как выглядели исправные детали, оказались два шкива, снятых с оборудования. Их состояние можно было описать одной фразой: полная выработка ресурса. Профиль зубьев оказался практически разрушен, геометрия венца нарушена, посадочные поверхности имели следы коррозии и механических повреждений. Железо, как сказали бы на заводе, «проржавело насквозь».

    С этим багажом клиент обратился к нам. Задача была сформулирована кратко, но за этой краткостью скрывался целый комплекс инженерных вызовов: воссоздать рабочие шкивы с точностью, достаточной для надежной эксплуатации передачи, не имея исходной документации и располагая лишь сильно изношенными образцами.

     


    Что означала эта задача с технической точки зрения

    Прежде чем перейти к решению, стоит пояснить, с каким типом передачи мы имели дело. Оборудование работало на ремнях стандарта Synchrochain. Это высоконагруженная серия зубчатых ремней с шагом 14 мм (обозначение 14M), которая применяется в приводах с высокими требованиями к синхронизации и устойчивости к динамическим нагрузкам. Шкивы под такие ремни имеют сложный профиль зуба: от него зависит не только отсутствие проскальзывания, но и ресурс всей передачи, уровень шума и вибраций.

    Износ, который продемонстрировали образцы, был настолько серьезным, что часть геометрических параметров нельзя было измерить напрямую. Например, профиль рабочей поверхности зуба оказался «слизанным», а фактический делительный диаметр из-за многолетней эксплуатации уже не соответствовал номинальному. Если бы мы просто скопировали изношенные детали, новые шкивы повторили бы все ошибки старого узла: неправильное зацепление, ускоренный износ ремня и быстрый выход из строя.

    Кроме того, задача усложнялась конструктивными особенностями крепления. Шкивы не были универсальными: каждый имел индивидуальную конфигурацию стыковки с ответными частями привода. У одного шпоночное соединение с точными размерами паза, у другого фланцевое крепление с восемью отверстиями строго определенного диаметра и расположения. Любое отклонение делало бы детали непригодными для монтажа.

    Как мы выстраивали работу: полный цикл от обмера до отгрузки

    Мы понимали, что в такой ситуации нельзя действовать методом «быстро сделать копию». Необходимо было не просто восстановить геометрию, но и проверить ее на соответствие стандартам, заложить в детали ресурс, а главное дать клиенту возможность проконтролировать результат до того, как металл пойдет в обработку. Поэтому мы разбили работу на несколько обязательных этапов.

    1. Обмер и восстановление размеров

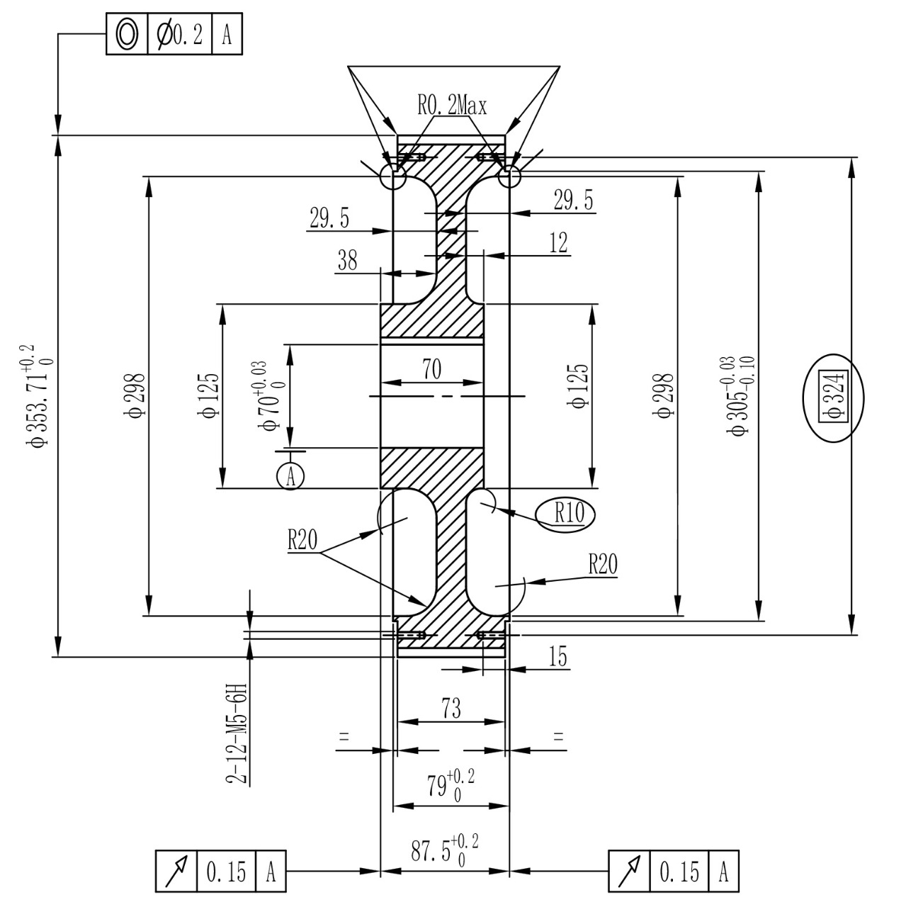
    Первым делом наши специалисты провели детальное измерение исходных шкивов. В работу пошли все доступные инструменты: штангенциркули, микрометры, нутромеры, твердомеры. Фиксировались наружные и посадочные диаметры, ширина венца, расстояния между осями отверстий, геометрия шпоночных пазов и фланцев.

    Однако измерить изношенный профиль зуба – это задача, которая требует не только инструмента, но и опыта. Вместо того чтобы пытаться снять показания с разрушенной рабочей поверхности, мы пошли другим путем. Зная, что ремень относится к стандарту Synchrochain 14M, наши инженеры восстановили недостающие параметры расчетным методом. По стандартному шагу и известному количеству зубьев был вычислен делительный диаметр, а профиль впадины спроектирован заново в соответствии с требованиями ГОСТ и международных норм для ремней данного типа.

    Фактически мы разделили данные на две категории: те, что можно было точно измерить (посадки, крепежные отверстия, габаритные размеры), и те, что нужно было пересчитать по стандарту (зубчатый венец). Это позволило получить корректную геометрию, которая обеспечит правильное зацепление, а не повторит ошибки изношенного образца.

    2. Разработка рабочих чертежей

    На основе собранных данных мы подготовили полноценные рабочие чертежи для каждого шкива. Это не были «наброски для токаря». Каждый чертеж содержал:

    • размеры с допусками и посадками;

    • требования к точности геометрических параметров;

    • указания по шероховатости поверхностей;

    • спецификацию материала и термообработки.

    Мы сознательно пошли на то, чтобы оформить именно конструкторскую документацию, а не ограничиться 3D-моделью для станка. Во-первых, это позволяло зафиксировать все инженерные решения. Во-вторых, давало клиенту понятный инструмент для контроля. В-третьих, после завершения проекта у заказчика оставался архив чертежей, который исключал повторение подобной ситуации в будущем.

     


    3. Согласование с заказчиком

    Этот этап мы считаем принципиальным. Чертежи были переданы клиенту для проверки. Почему это важно? Потому что при восстановлении по образцу всегда существует риск субъективного восприятия геометрии. То, что наши инженеры считали правильным восстановлением, могло не совпадать с представлениями технологов заказчика о том, как должен работать узел. Кроме того, у клиента могла быть дополнительная информация об особенностях посадки или сопряжения, которая не была очевидна при обмере.

    Только после письменного подтверждения того, что воспроизводимая геометрия соответствует ожиданиям и конструктивным требованиям, мы запустили детали в производство. Это исключило риск переделок и споров по факту отгрузки.

    4. Изготовление и контроль качества

    Производство велось строго по утвержденной документации. На каждом этапе от заготовки до финишной обработки осуществлялся контроль промежуточных размеров. Особое внимание уделялось точности зубчатого венца: для его обработки использовалось оборудование, позволяющее выдержать шаг и профиль в соответствии с расчетными данными.

    Перед отгрузкой каждый шкив прошел приемочный контроль:

    • проверка геометрии зубчатого венца;

    • контроль посадочных диаметров и крепежных отверстий;

    • визуальный осмотр качества поверхностей;

    • сопоставление с утвержденными чертежами.

    Что получил клиент в итоге

    Результатом работы стали два шкива под ремень Synchrochain с шагом 14M (серия 14M 80S), шириной венца 79 мм, но с разной конструкцией крепления, адаптированной под конкретные узлы привода.

    Шкив №1 получил посадочный диаметр 70 мм со шпоночным пазом 20×4,9 мм. Такое решение обеспечивает надежную передачу крутящего момента при высоких нагрузках и удобство монтажа. Шпоночное соединение исключает проворот и сохраняет кинематическую точность.

    Шкив №2 был изготовлен с фланцевым креплением: 8 отверстий диаметром 12,5 мм под болты. Эта конфигурация точно воспроизводит оригинальную конструкцию узла, позволяя стыковать шкив с ответными деталями без доработок и дополнительных переходных элементов.

    Оба шкива рассчитаны на работу с ремнем шага 14M - стандартом для высоконагруженных передач, требующих точной синхронизации и длительного ресурса.

     


    Сроки и организация работ

    От первого обращения до момента отгрузки готовых деталей прошло 12 недель. В этот срок вошли:

    • выезд специалиста для обмера (при необходимости);

    • восстановление расчетных параметров;

    • разработка и согласование чертежей;

    • изготовление деталей;

    • входной контроль качества.

    Такой срок обусловлен не производственной сложностью как таковой, а необходимостью пройти все этапы с должным уровнем ответственности. Мы сознательно не форсировали процесс в ущерб качеству, поскольку в данном случае любая неточность означала бы повторный простой оборудования.

    Когда такой подход становится единственным

    Описанная ситуация не исключение, а скорее закономерность для современной промышленности. Особенно часто она возникает в трех случаях:

    1. Импортное оборудование, снятое с поддержки. Производитель либо прекратил выпуск запчастей, либо требует неоправданно долгих сроков поставки.

    2. Детали, выпускавшиеся под конкретные машины. Унифицированных аналогов не существует, а оригинальные компоненты больше не производятся.

    3. Утеря документации. При смене собственника, реорганизации архива или просто за долгие годы эксплуатации чертежи исчезают.

    Во всех этих случаях восстановление по образцу с разработкой документации с нуля зачастую оказывается не просто возможным, а единственным способом вернуть оборудование в строй без замены всего узла или покупки новой машины.

    Мы берем на себя полный цикл: от обмера изношенных деталей и инженерного анализа до разработки рабочих чертежей, согласования с заказчиком и изготовления под нестандартные требования. Имея опыт работы с различными типами передач — от точных синхронных до высоконагруженных силовых — мы можем восстановить привод даже в ситуации, когда, казалось бы, не с чего снимать размеры.

    Есть похожая задача? Свяжитесь с нами - обсудим, как вернуть ваше оборудование в строй без чертежей и оригинальных запчастей.

    Назад к списку
    • Все публикации 6
      • Обзоры товаров 6
    Каталог
    Бренды
    Помощь
    Контакты
    +7(966)-756-39-33
    +7(966)-756-39-33
    Заказать звонок
    E-mail
    info@emtshop.ru
    Режим работы

    Пн. – Пт.: с 9:00 до 18:00

    info@emtshop.ru
    © 2026 Интернет-магазин бренда ЕМТ. Вся информация представленная на сайте, касающаяся технических характеристик, наличия, стоимости, носит информационный характер и ни при каких условиях не является публичной офертой, определяемой положениями Статьи 437(2) Гражданского кодекса РФ. Для получения более подробной информации о наличии, цене и условиях отгрузки товаров, обратитесь к нашим специалистам с помощью формы обратной связи или по телефонам, указанным в разделе Контакты.
    Конфиденциальность
    Главная Каталог 0 Корзина 0 Избранные Кабинет
    Для корректной работы сайта - используем куки.
    Принять