Коническая пара прямозубая (B) C29B221, передат. число=1:1, M=2,5, Z=22/22, EMT
Арт. C29B221
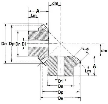
Характеристики
Модуль, М
—
2,5
A, мм
—
30,1
D1, мм
—
16
F, мм
—
12
Lm, мм
—
16
2 610 руб./шт
Гарантия производителя
Цена действительна при наличии товара на складе.
Коническая пара прямозубая, тип В, i=1:1, М=2,5, Z=22/22, под брендом "ЕМТ", является механизмом, состоящий из скрепленных колес с зубьями. Предназначены для передачи крутящего момента под углом 90 град. Имеют угол наклона зубьев 20 градусов и необходимы, когда пересекаются приводные валы и требуется передать вращательное движение.
Модуль, М
2,5
A, мм
30,1
D1, мм
16
F, мм
12
Lm, мм
16
Dn, мм
45,3
Количество зубьев,шт
22
De, мм
58,5
Передаточное отношение
1:1
dm, мм
17,9
Dp, мм
55
Производитель
EMT
Материал
Сталь C45
Вес, кг
0,36

