Полумуфта GE 28-38 A с готовым отверстием d14 шпон паз 5х2,3мм+винт М4 СТАЛЬ, EMT
Арт. GE028A14EMT
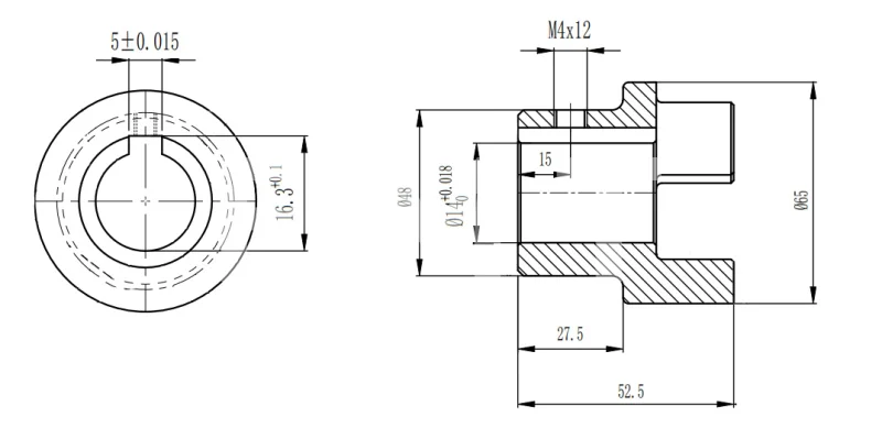
Характеристики
Посадка на вал
—
Со шпонкой
Тип муфты
—
GE 28-38
Ширина полумуфты, C, мм
—
35
Диаметр ступицы, М, мм
—
48
Ширина шпоночного паза, B, мм
—
5±0,015
2 882 руб./шт
Гарантия производителя
Цена действительна при наличии товара на складе.
Полумуфта GE 28-38 тип А, с готовым отверстием d=14 мм и шпон пазом 5х2,3мм+винт М4, бренда EMT – это высококачественный механический компонент, предназначенные для передачи вращательного момента между валами в различных машинах и установках. Полумуфта изготовлена из прочной легированной стали, которая обеспечивает высокую износостойкость и устойчивость к коррозии. Готовое отверстие выполнено со строгими допусками, что помогает обеспечить надежное соединение с валами различных диаметров. Шпон Паз оснащен стандартными шпонками, что улучшает зацепление и предотвращает соскальзывание, особенно в условиях высокой нагрузки.
Посадка на вал
Со шпонкой
Тип муфты
GE 28-38
Ширина полумуфты, C, мм
35
Диаметр ступицы, М, мм
48
Ширина шпоночного паза, B, мм
5±0,015
Максимальный диаметр отверстия, dmax ,мм
14
D, мм
65
L, мм
90
G, мм
15
F, мм
30
e, мм
20
R, мм
27,5
K, мм
16,3
S, мм
2,5
P,мм
М4х12
Диаметр отверстия, d ,мм
14
Производитель
EMT
Материал
Сталь
Вес, кг
0,5

