Полумуфта под расточку HRC 110, EMT
Арт. GEBHRC110EMT
Характеристики
A, мм
—
45,0
Посадка на вал
—
Под расточку
Тип муфты
—
HRC 110
Диаметр ступицы, М, мм
—
100
Максимальный диаметр отверстия, dmax ,мм
—
55
2 228 руб./шт
Гарантия производителя
Цена действительна при наличии товара на складе.
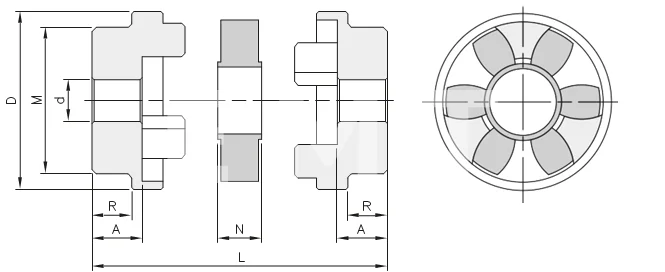
Полумуфта под расточку HRC 110, с максимальным диаметром отверстия 55 мм, и шириной ступицы 100 мм, изготовлена из чугуна и предназначена для передачи крутящего момента между двумя соостно расположнными валами. Соединительная муфта имеет длину в сборе 119 мм,и ширину упругого элемента 29 мм.
A, мм
45,0
Посадка на вал
Под расточку
Тип муфты
HRC 110
Диаметр ступицы, М, мм
100
Максимальный диаметр отверстия, dmax ,мм
55
Диаметр чернового отверстия d, мм
10
Диаметр полумуфты, D, мм
112
Ширина ступицы, R ,мм
37
Длина муфты в сборе, L, мм
119
Производитель
EMT
Материал
Чугун
Вес, кг
3,05

