Полумуфта под расточку HRC 150, EMT
Арт. GEBHRC150EMT
Характеристики
A, мм
—
56,0
Посадка на вал
—
Под расточку
Тип муфты
—
HRC 150
Диаметр ступицы, М, мм
—
115
Максимальный диаметр отверстия, dmax ,мм
—
70
4 242 руб./шт
Гарантия производителя
Цена действительна при наличии товара на складе.
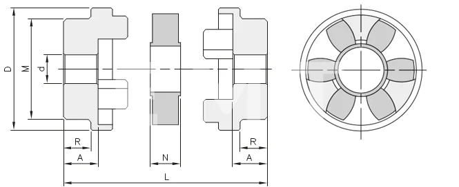
Полумуфта под расточку HRC 150, с максимальным диаметром отверстия 70 мм, и шириной ступицы 115 мм, изготовлена из чугуна и предназначена для передачи крутящего момента между двумя соостно расположнными валами. Соединительная муфта имеет длину в сборе 152 мм,и ширину упругого элемента 40 мм.
A, мм
56,0
Посадка на вал
Под расточку
Тип муфты
HRC 150
Диаметр ступицы, М, мм
115
Максимальный диаметр отверстия, dmax ,мм
70
Диаметр чернового отверстия d, мм
20
Диаметр полумуфты, D, мм
150
Ширина ступицы, R ,мм
46
Длина муфты в сборе, L, мм
152
Производитель
EMT
Материал
Чугун
Вес, кг
6,10

