Полумуфта N-EUPEX 225 под расточку часть 4 dmax=90 мм, EMT
Арт. NEUPA2254EMT
Характеристики
Крутящий момент максимальный , TK max, Nm
—
6000
A, мм
—
18
Посадка на вал
—
под расточку
Тип муфты
—
N-EUPEX 225
Максимальный диаметр отверстия, dmax ,мм
—
90
29 637 руб./шт
Гарантия производителя
Цена действительна при наличии товара на складе.
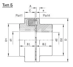
Полумуфта под расточку N-EUPEX 225 часть 4, соединительная, максимальный диаметр отверстия - 90 мм. Максимальная скорость вращения - 3000 об/мин. Номинальный крутящий момент - 2000 Н·м.
Крутящий момент максимальный , TK max, Nm
6000
A, мм
18
Посадка на вал
под расточку
Тип муфты
N-EUPEX 225
Максимальный диаметр отверстия, dmax ,мм
90
D, мм
225
e, мм
2,6
B2, мм
90
D2, мм
150
Скорость вращения, max
3000
Крутящий момент, TK, Nm
2000
Производитель
EMT
Материал
Чугун
Вес, кг
15.5

