Полумуфта GS14 безлюфтовая, с готовым отверстием d=15 мм, шпон паз 5х2,3мм, EMT
Арт. GESM14F15C
Характеристики
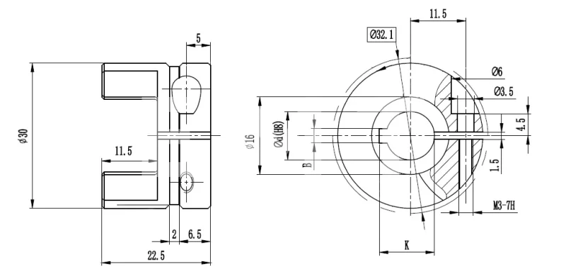
Крутящий момент максимальный , TK max, Nm
—
32
A, мм
—
30
Посадка на вал
—
Со шпонкой
Тип муфты
—
GS 14
Ширина полумуфты, C, мм
—
11
750 руб./шт
Гарантия производителя
Цена действительна при наличии товара на складе.
Крутящий момент максимальный , TK max, Nm
32
A, мм
30
Посадка на вал
Со шпонкой
Тип муфты
GS 14
Ширина полумуфты, C, мм
11
E min, мм
32,2
G, мм
10,5
S, мм
1,5
P,мм
2
Тип болта, мм
M3
T, мм
6
M, мм
13
Момент затяжки, Nm
1,4
Скорость вращения, max
19000
Диаметр отверстия,D1,мм
15
Длина муфты в сборе, L, мм
35
Крутящий момент, TK, Nm
16
Производитель
EMT
Материал
Алюминий
Вес, кг
0,020

