Тула
Каталог
  • Муфты соединительные
    • Безлюфтовые муфты с готовым отверстием
    • Жесткие зажимные муфты
    • Цепные муфты
    • Кулачковые муфты GE с готовым отверстием
    • Кулачковые муфты GE под втулку тапербуш
    • Кулачковые муфты GE под расточку из чугуна
    • Кулачковые муфты GE под расточку из алюминия
    • Кулачковые муфты HRC под втулку тапербуш
    • Кулачковые муфты HRC под расточку
    • Кулачковые муфты N-EUPEX под втулку тапербуш
    • Кулачковые муфты N-EUPEX под расточку
    • Кулачковые муфты GE из стали
    • Безлюфтовые муфты под расточку
    • Зубчатые муфты GF
    • Муфты торообразные FLEX
    • Полиамидные гильзы для муфт GF/BOWEX
    • Упругие элементы для муфт торообразныx FLEX
    • Упругие элементы для муфт HRC
    • Упругие элементы для муфт GEB
    • Упругие элементы для муфт ES
    • Упругие элементы для муфт N-EUPEX
  • Втулки зажимные
    • ABRR
    • BK 10 из нержавеющей стали
    • BK 11 (RCK 11)
    • BK 13 (RCK 13)
    • BK 15 (RCK 15)
    • BK 16 (RCK 16)
    • BK 19 (RCK 19)
    • BK 26 (RCK 26)
    • BK 26/1 (RCK 26)
    • BK 30 из нержавеющей стали
    • BK 40 (RCK 40)
    • BK 40 из нержавеющей стали
    • BK 45 (RCK 45)
    • BK 50 (RCK 50)
    • BK 61 (RCK 61)
    • BK 61 из нержавеющей стали
    • BK 70 (RCK 70)
    • BK 71 (RCK 71)
    • BK 80 (RCK 80)
    • BK 80 из нержавеющей стали
    • BK 95 (RCK 95)
    • KBS 56 MINI
    • KBS 58 MINI
  • Втулки конические тапербуш
    • TB-1008
    • TB-1108
    • TB-1210
    • TB-1215
    • TB-1610
    • TB-1615
    • TB-2012
    • TB-2517
    • TB-3020
    • TB-3030
    • TB-3525
    • TB-3535
    • TB-4030
    • TB-4040
    • TB-4535
    • TB-4545
    • TB-5040
    • TB-5050
    • Винты для втулок TB
  • Клиновые ремни
    • Клиновые ремни A
    • Клиновые ремни B (Б)
    • Клиновые ремни C (В)
    • Клиновые ремни SPA и XPA
    • Клиновые ремни SPB и XPB
    • Клиновые ремни SPC и XPC
    • Клиновые ремни SPZ и XPZ
  • Цепи приводные роликовые
    • Американского стандарта
    • Европейского стандарта
    • Из нержавеющей стали
    • Соединительные и переходные звенья для роликовых цепей
  • Шкивы клиновые
    • Под втулку ТВ
  • Ступицы
    • Ступицы под соединение болтами
    • Ступицы приварные
  • Конические зубчатые пары
    • Конические прямозубые пары
  • Натяжные устройства
    • Автоматические осевые натяжители цепей и ремней Murtfeldt
    • Звездочки натяжные
    • Ролики для натяжения приводных ремней
    • Рычаги натяжители ROSTA
Бренды
Статьи
Компания
  • О компании
Контакты
    +7(966)-756-39-33
    +7(966)-756-39-33
    Заказать звонок
    E-mail
    info@emtshop.ru
    Режим работы

    Пн. – Пт.: с 9:00 до 18:00

    Заказать звонок
    Интернет-магазин бренда EMT
    • Муфты соединительные
      Муфты соединительные
      • Безлюфтовые муфты с готовым отверстием
      • Жесткие зажимные муфты
      • Цепные муфты
      • Кулачковые муфты GE с готовым отверстием
      • Кулачковые муфты GE под втулку тапербуш
      • Кулачковые муфты GE под расточку из чугуна
      • Кулачковые муфты GE под расточку из алюминия
      • Кулачковые муфты HRC под втулку тапербуш
      • Кулачковые муфты HRC под расточку
      • Кулачковые муфты N-EUPEX под втулку тапербуш
      • Кулачковые муфты N-EUPEX под расточку
      • Кулачковые муфты GE из стали
      • Безлюфтовые муфты под расточку
      • Зубчатые муфты GF
      • Муфты торообразные FLEX
      • Полиамидные гильзы для муфт GF/BOWEX
      • Упругие элементы для муфт торообразныx FLEX
      • Упругие элементы для муфт HRC
      • Упругие элементы для муфт GEB
      • Упругие элементы для муфт ES
      • Упругие элементы для муфт N-EUPEX
      • Еще
    • Втулки зажимные
      Втулки зажимные
      • ABRR
      • BK 10 из нержавеющей стали
      • BK 11 (RCK 11)
      • BK 13 (RCK 13)
      • BK 15 (RCK 15)
      • BK 16 (RCK 16)
      • BK 19 (RCK 19)
      • BK 26 (RCK 26)
      • BK 26/1 (RCK 26)
      • BK 30 из нержавеющей стали
      • BK 40 (RCK 40)
      • BK 40 из нержавеющей стали
      • BK 45 (RCK 45)
      • BK 50 (RCK 50)
      • BK 61 (RCK 61)
      • BK 61 из нержавеющей стали
      • BK 70 (RCK 70)
      • BK 71 (RCK 71)
      • BK 80 (RCK 80)
      • BK 80 из нержавеющей стали
      • BK 95 (RCK 95)
      • KBS 56 MINI
      • KBS 58 MINI
      • Еще
    • Втулки конические тапербуш
      Втулки конические тапербуш
      • TB-1008
      • TB-1108
      • TB-1210
      • TB-1215
      • TB-1610
      • TB-1615
      • TB-2012
      • TB-2517
      • TB-3020
      • TB-3030
      • TB-3525
      • TB-3535
      • TB-4030
      • TB-4040
      • TB-4535
      • TB-4545
      • TB-5040
      • TB-5050
      • Винты для втулок TB
      • Еще
    • Клиновые ремни
      Клиновые ремни
      • Клиновые ремни A
      • Клиновые ремни B (Б)
      • Клиновые ремни C (В)
      • Клиновые ремни SPA и XPA
      • Клиновые ремни SPB и XPB
      • Клиновые ремни SPC и XPC
      • Клиновые ремни SPZ и XPZ
      • Еще
    • Цепи приводные роликовые
      Цепи приводные роликовые
      • Американского стандарта
      • Европейского стандарта
      • Из нержавеющей стали
      • Соединительные и переходные звенья для роликовых цепей
      • Еще
    • Шкивы клиновые
      Шкивы клиновые
      • Под втулку ТВ
    • Ступицы
      Ступицы
      • Ступицы под соединение болтами
      • Ступицы приварные
    • Конические зубчатые пары
      Конические зубчатые пары
      • Конические прямозубые пары
    • Натяжные устройства
      Натяжные устройства
      • Автоматические осевые натяжители цепей и ремней Murtfeldt
      • Звездочки натяжные
      • Ролики для натяжения приводных ремней
      • Рычаги натяжители ROSTA
      • Еще
    Войти
    0 Избранное
    0 Корзина
    Муфты соединительные Клиновые ремни Втулки тапербуш Шкивы клиновые Цепи приводные роликовые Конические зубчатые пары Натяжные устройства
    Интернет-магазин бренда EMT
    Войти
    0 Избранное
    0 Корзина
    Тула
    Интернет-магазин бренда EMT
    Телефоны
    +7(966)-756-39-33
    Заказать звонок
    0
    0
    Интернет-магазин бренда EMT
    • Кабинет
    • 0 Избранное
    • 0 Корзина
    • Тула
      • Назад
      • Города
    • +7(966)-756-39-33
      • Назад
      • Телефоны
      • +7(966)-756-39-33
      • Заказать звонок
    • info@emtshop.ru
    • Пн. – Пт.: с 9:00 до 18:00

    Главная
    –
    Каталог
    –
    Муфты соединительные
    Втулки конические тапербуш
    Цепи приводные роликовые
    Шкивы клиновые
    Клиновые ремни
    Втулки зажимные
    Ступицы
    Конические зубчатые пары
    Натяжные устройства
    –
    Цепные муфты
    Безлюфтовые муфты с готовым отверстием
    Жесткие зажимные муфты
    Кулачковые муфты GE с готовым отверстием
    Кулачковые муфты GE под втулку тапербуш
    Кулачковые муфты GE под расточку из чугуна
    Кулачковые муфты GE под расточку из алюминия
    Кулачковые муфты HRC под втулку тапербуш
    Кулачковые муфты HRC под расточку
    Кулачковые муфты N-EUPEX под втулку тапербуш
    Кулачковые муфты N-EUPEX под расточку
    Кулачковые муфты GE из стали
    Безлюфтовые муфты под расточку
    Зубчатые муфты GF
    Муфты торообразные FLEX
    Полиамидные гильзы для муфт GF/BOWEX
    Упругие элементы для муфт торообразныx FLEX
    Упругие элементы для муфт HRC
    Упругие элементы для муфт GEB
    Упругие элементы для муфт ES
    Упругие элементы для муфт N-EUPEX
    –Муфта цепная KC12022, EMT
    Муфта цепная KC12022, EMT | ЕМТ
    Муфта цепная KC12022, EMT | ЕМТ
    Муфта цепная KC12022, EMT | ЕМТ
    Муфта цепная KC12022, EMT | ЕМТ

    Муфта цепная KC12022, EMT

    Арт. KC12022EMT
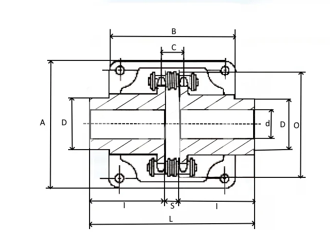
    Характеристики
    Тип цепи
    —
    120-2
    A, мм
    —
    357
    D, мм
    —
    210
    L, мм
    —
    222,7
    S, мм
    —
    22,7
    Все характеристики

    Все описание
    Euromehanika Transmission
    Все товары Euromehanika Transmission
    Все товары категории
    93 421 руб./шт
    Заказать
    Нет в наличии
    Гарантия производителя
    Цена действительна при наличии товара на складе.
    • Описание
    • Характеристики
    Муфта цепная KC12022 производства EMT — это стандартизированный элемент привода, предназначенный для соединения соосных валов и передачи крутящего момента в условиях умеренных нагрузок. Конструкция муфты включает две стальные полумуфты со звездочками, роликовую цепь и разъемный защитный кожух, что обеспечивает эффективную компенсацию радиальных, угловых и осевых смещений валов. Ключевыми преимуществами модели KC12022 являются высокая ремонтопригодность, возможность быстрой замены цепи без демонтажа узла, а также защита от внешних загрязнений. Муфта применяется в общем машиностроении для приводов конвейерного оборудования, вентиляционных систем, насосов и легких станков, где требуется надежное и простое в обслуживании соединение.
    Тип цепи
    120-2
    A, мм
    357
    D, мм
    210
    L, мм
    222,7
    S, мм
    22,7
    B, мм
    181
    Диаметр чернового отверстия d, мм
    35
    O, мм
    304
    I,мм
    100
    Крутящий момент, Nm
    17800
    C, мм
    45,4
    Максимальный диаметр отверстия, d ,мм
    140
    Производитель
    EMT
    Материал
    Муфта - Сталь C45, Корпус - Алюминий
    Вес, кг
    80,00
    Назад к списку
    Каталог
    Бренды
    Помощь
    Контакты
    +7(966)-756-39-33
    +7(966)-756-39-33
    Заказать звонок
    E-mail
    info@emtshop.ru
    Режим работы

    Пн. – Пт.: с 9:00 до 18:00

    info@emtshop.ru
    © 2026 Интернет-магазин бренда ЕМТ. Вся информация представленная на сайте, касающаяся технических характеристик, наличия, стоимости, носит информационный характер и ни при каких условиях не является публичной офертой, определяемой положениями Статьи 437(2) Гражданского кодекса РФ. Для получения более подробной информации о наличии, цене и условиях отгрузки товаров, обратитесь к нашим специалистам с помощью формы обратной связи или по телефонам, указанным в разделе Контакты.
    Конфиденциальность
    Главная Каталог 0 Корзина 0 Избранные Кабинет
    Для корректной работы сайта - используем куки.
    Принять