Муфта продольно-свёртная GBR 50, EMT
Арт. GBR050
Характеристики
A, мм
—
124
e, мм
—
14
B, мм
—
M10 x 25
Наружный диаметр, de, мм
—
85
C, мм
—
34,1
10 056 руб./шт
Гарантия производителя
Цена действительна при наличии товара на складе.
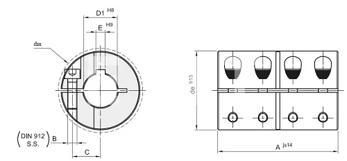
Муфта продольно-свёртная GBR 50, предназначена для крепления двух соостных валов. Не компенсирует перекосы, передает высокий крутящий момент. Конструктивно имеет шпоночный паз с двух сторон. Зажимается на валу винтами, не допуская осевого перемещения и не повреждая вал.
A, мм
124
e, мм
14
B, мм
M10 x 25
Наружный диаметр, de, мм
85
C, мм
34,1
Диаметр отверстия,D1,мм
50
Диаметр ступицы, dm, мм
94,2
Производитель
EMT
Материал
Сталь
Вес, кг
3,52

