Ролик натяжителя ремня стальной RU 5 D.80 EMT
Арт. AR070876
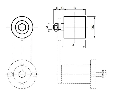
Характеристики
Тип
—
50
A, мм
—
99
D, мм
—
80
e, мм
—
28
Ширина общая B, мм
—
90
23 403 руб./шт
Гарантия производителя
Цена действительна при наличии товара на складе.
Ролик натяжителя ремня RU 5 применяется для натяжения ремней в ременных передачах промышленного оборудования. Является одним из элементов натяжного устройства. Применяется в комплекте с ручным или автоматическим натяжителем
Материал исполнения: Сталь с цинковым покрытием
Материал исполнения: Сталь с цинковым покрытием
Тип
50
A, мм
99
D, мм
80
e, мм
28
Ширина общая B, мм
90
M, мм
M20
Скорость вращения, max
6500
C, мм
9
Производитель
EMT
Материал
Сталь оцинкованная
Вес, кг
2,09

