Втулка зажимная BK 16 (RCK 16) 130x180 (KLAB130), EMT
Арт. BK016130180EMT
Характеристики
Тип
—
BK 16
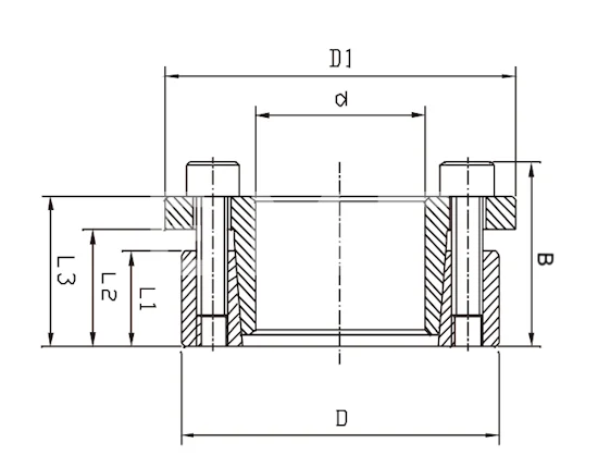
D1, мм
—
189
B, мм
—
64
Тип болта, мм
—
M12x35
Давление на поверхность ступицы, N/мм2
—
126
10 754 руб./шт
Гарантия производителя
Цена действительна при наличии товара на складе.
Втулка зажимная BK 16 130 x 180 (KLAB130), EMT применяется для монтажа звезд, шкивов, барабанов и других изделий на цилиндрический, бесшпоночный вал.
Тип
BK 16
D1, мм
189
B, мм
64
Тип болта, мм
M12x35
Давление на поверхность ступицы, N/мм2
126
Крутящий момент, Nm
17024
Давление на поверхность вала, N/мм2
175
Количество болтов, шт
12
Длина втулки L3, мм
52
Момент затяжки, Nm
145
Длина втулки L1, мм
34
Нагрузка, KN
262
Длина втулки L2, мм
40
Размер, d x D, мм
130 x 180
Производитель
EMT
Материал
Сталь C45
Вес, кг
5,20

