Втулка зажимная BK 16 (RCK 16) 40x65 (KLAB040), EMT
Арт. BK016040065EMT
Характеристики
Тип
—
BK 16
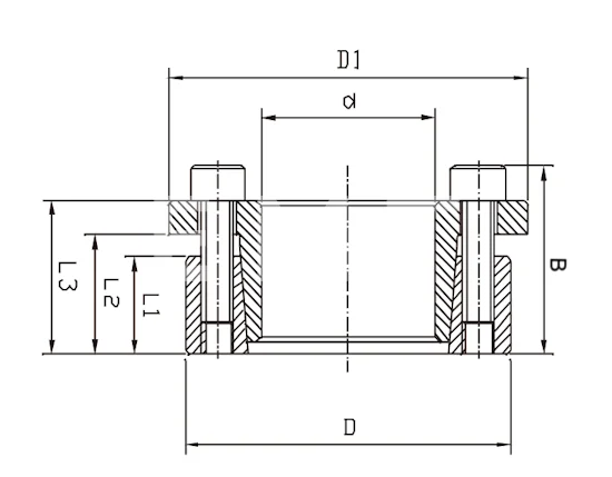
D1, мм
—
74
B, мм
—
34
Тип болта, мм
—
M6x20
Давление на поверхность ступицы, N/мм2
—
109
1 221 руб./шт
Гарантия производителя
Цена действительна при наличии товара на складе.
Втулка зажимная BK 16 40 x 65 (KLAB040), EMT применяется для монтажа звезд, шкивов, барабанов и других изделий на цилиндрический, бесшпоночный вал.
Тип
BK 16
D1, мм
74
B, мм
34
Тип болта, мм
M6x20
Давление на поверхность ступицы, N/мм2
109
Крутящий момент, Nm
819
Давление на поверхность вала, N/мм2
178
Количество болтов, шт
8
Длина втулки L3, мм
28
Момент затяжки, Nm
17
Длина втулки L1, мм
17
Нагрузка, KN
41
Длина втулки L2, мм
22
Размер, d x D, мм
40 x 65
Производитель
EMT
Материал
Сталь C45
Вес, кг
0,50

