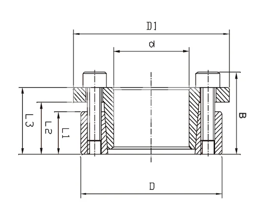
Втулка зажимная BK 16 (RCK 16) 48x80 (KLAB048), EMT
Арт. BK016048080EMT
Характеристики
Производитель
—
EMT
1 797 руб./шт
Гарантия производителя
Цена действительна при наличии товара на складе.
Втулка зажимная BK 16 48 x 80 (KLAB048), EMT применяется для монтажа звезд, шкивов, барабанов и других изделий на цилиндрический, бесшпоночный вал.

