Втулка зажимная BK 26 (RCK 26) 18x30 (KLFC018), EMT
Арт. BK026018030EMT
Характеристики
Тип
—
BK 26
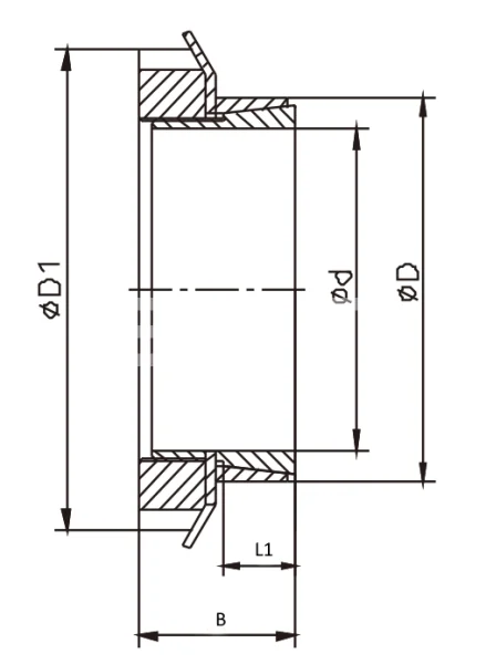
D1, мм
—
38
B, мм
—
17,5
Тип болта, мм
—
M25x1,5
Давление на поверхность ступицы, N/мм2
—
154
767 руб./шт
Гарантия производителя
Цена действительна при наличии товара на складе.
Втулка зажимная BK 26 18 x 30 (KLFC018), EMT применяется для монтажа звезд, шкивов, барабанов и других изделий на цилиндрический, бесшпоночный вал.
Тип
BK 26
D1, мм
38
B, мм
17,5
Тип болта, мм
M25x1,5
Давление на поверхность ступицы, N/мм2
154
Крутящий момент, Nm
91
Давление на поверхность вала, N/мм2
256
Момент затяжки, Nm
160
Длина втулки L1, мм
6,5
Нагрузка, KN
10
Размер, d x D, мм
18 x 30
Производитель
EMT
Материал
Сталь C45
Вес, кг
0,13

