Втулка зажимная BK 26 (RCK 26) 20x30 (KLFC020), EMT
Арт. BK026020030EMT
Характеристики
Тип
—
BK 26
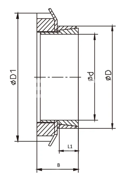
D1, мм
—
38
B, мм
—
18
Тип болта, мм
—
M25x1,5
Давление на поверхность ступицы, N/мм2
—
154
825 руб./шт
Гарантия производителя
Цена действительна при наличии товара на складе.
Втулка зажимная BK 26 20 x 30 (KLFC020), EMT применяется для монтажа звезд, шкивов, барабанов и других изделий на цилиндрический, бесшпоночный вал.
Тип
BK 26
D1, мм
38
B, мм
18
Тип болта, мм
M25x1,5
Давление на поверхность ступицы, N/мм2
154
Крутящий момент, Nm
102
Давление на поверхность вала, N/мм2
230
Момент затяжки, Nm
160
Длина втулки L1, мм
6,5
Нагрузка, KN
10
Размер, d x D, мм
20 x 30
Производитель
EMT
Материал
Сталь C45
Вес, кг
0,15

