Втулка зажимная BK 26 (RCK 26) 28x40 (KLFC028), EMT
Арт. BK026028040EMT
Характеристики
Тип
—
BK 26
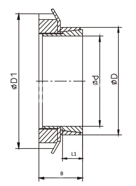
D1, мм
—
52
B, мм
—
18
Тип болта, мм
—
M35x1,5
Давление на поверхность ступицы, N/мм2
—
174
902 руб./шт
Гарантия производителя
Цена действительна при наличии товара на складе.
Втулка зажимная BK 26 28 x 40 (KLFC028), EMT применяется для монтажа звезд, шкивов, барабанов и других изделий на цилиндрический, бесшпоночный вал.
Тип
BK 26
D1, мм
52
B, мм
18
Тип болта, мм
M35x1,5
Давление на поверхность ступицы, N/мм2
174
Крутящий момент, Nm
215
Давление на поверхность вала, N/мм2
248
Момент затяжки, Nm
340
Длина втулки L1, мм
6,5
Нагрузка, KN
15
Размер, d x D, мм
28 x 40
Производитель
EMT
Материал
Сталь C45
Вес, кг
0,28

