Втулка зажимная BK 26 (RCK 26) 40x50 (KLFC040), EMT
Арт. BK026040050EMT
Характеристики
Тип
—
BK 26
D1, мм
—
65
B, мм
—
25
Тип болта, мм
—
M45x1,5
Давление на поверхность ступицы, N/мм2
—
141
1 320 руб./шт
Гарантия производителя
Цена действительна при наличии товара на складе.
Втулка зажимная BK 26 40 x 50 (KLFC040), EMT применяется для монтажа звезд, шкивов, барабанов и других изделий на цилиндрический, бесшпоночный вал.
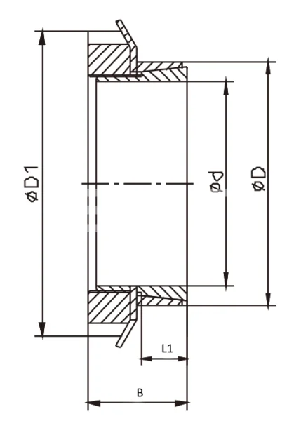
Тип
BK 26
D1, мм
65
B, мм
25
Тип болта, мм
M45x1,5
Давление на поверхность ступицы, N/мм2
141
Крутящий момент, Nm
477
Давление на поверхность вала, N/мм2
176
Момент затяжки, Nm
680
Длина втулки L1, мм
10
Нагрузка, KN
24
Размер, d x D, мм
40 x 50
Производитель
EMT
Материал
Сталь C45
Вес, кг
0,33

