Втулка зажимная BK 26 (RCK 26) 60x70 (KLFC060), EMT
Арт. BK026060070EMT
Характеристики
Тип
—
BK 26
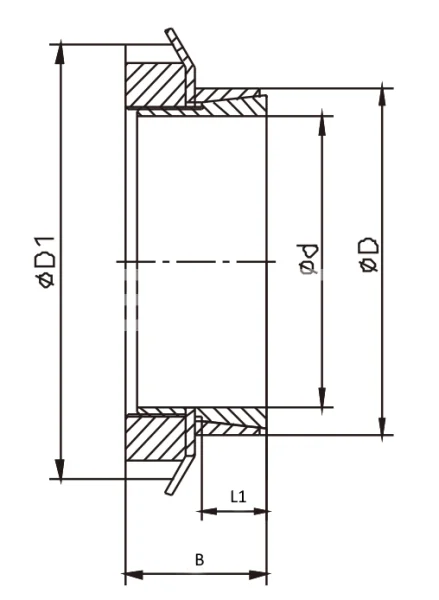
D1, мм
—
85
B, мм
—
29
Тип болта, мм
—
M65x2
Давление на поверхность ступицы, N/мм2
—
111
1 882 руб./шт
Гарантия производителя
Цена действительна при наличии товара на складе.
Втулка зажимная BK 26 60 x 70 (KLFC060), EMT применяется для монтажа звезд, шкивов, барабанов и других изделий на цилиндрический, бесшпоночный вал.
Тип
BK 26
D1, мм
85
B, мм
29
Тип болта, мм
M65x2
Давление на поверхность ступицы, N/мм2
111
Крутящий момент, Nm
946
Давление на поверхность вала, N/мм2
129
Момент затяжки, Nm
1300
Длина втулки L1, мм
12
Нагрузка, KN
32
Размер, d x D, мм
60 x 70
Производитель
EMT
Материал
Сталь C45
Вес, кг
0,80

