Втулка зажимная BK 40 (RCK 40) 75x115 (KLGG075), EMT
Арт. BK040075115EMT
Характеристики
Тип
—
BK 40
B, мм
—
38
Тип болта, мм
—
M10x25
Давление на поверхность ступицы, N/мм2
—
163
Крутящий момент, Nm
—
5727
4 229 руб./шт
Нашли дешевле?
Гарантия производителя
Цена действительна при наличии товара на складе.
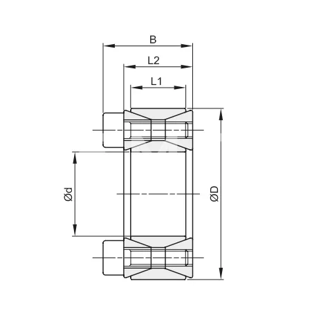
Втулка зажимная BK 40 75 x 115 (KLGG075), EMT применяется для монтажа звезд, шкивов, барабанов и других изделий на цилиндрический, бесшпоночный вал.
Тип
BK 40
B, мм
38
Тип болта, мм
M10x25
Давление на поверхность ступицы, N/мм2
163
Крутящий момент, Nm
5727
Давление на поверхность вала, N/мм2
250
Количество болтов, шт
14
Момент затяжки, Nm
69
Длина втулки L1, мм
24
Нагрузка, KN
153
Длина втулки L2, мм
28
Размер, d x D, мм
75 x 115
Производитель
EMT
Материал
Сталь C45
Вес, кг
1,33

