Втулка зажимная BK 45 (RCK 45) 45x73 (KLHH045), EMT
Арт. BK045045073EMT
Характеристики
Тип
—
BK 45
B, мм
—
36
Тип болта, мм
—
M8x22
Давление на поверхность ступицы, N/мм2
—
130
Крутящий момент, Nm
—
1500
1 949 руб./шт
Гарантия производителя
Цена действительна при наличии товара на складе.
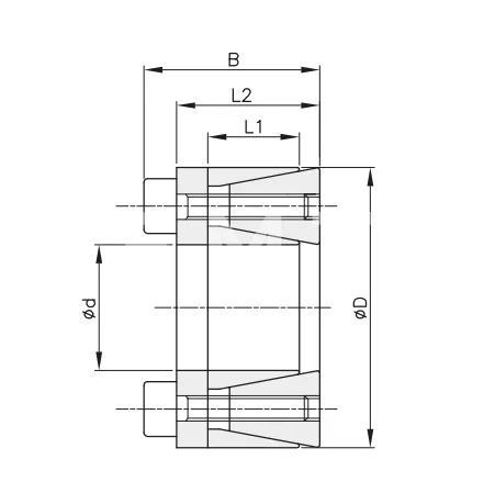
Втулка зажимная BK 45 45 x 73 (KLHH045), EMT применяется для монтажа звезд, шкивов, барабанов и других изделий на цилиндрический, бесшпоночный вал.
Тип
BK 45
B, мм
36
Тип болта, мм
M8x22
Давление на поверхность ступицы, N/мм2
130
Крутящий момент, Nm
1500
Давление на поверхность вала, N/мм2
210
Количество болтов, шт
12
Момент затяжки, Nm
41
Длина втулки L1, мм
18
Нагрузка, KN
66
Длина втулки L2, мм
28
Размер, d x D, мм
45 x 73
Производитель
EMT
Материал
Сталь C45
Вес, кг
0,57

