Втулка зажимная BK 45 (RCK 45) 60x88 (KLHH060), EMT
Арт. BK045060088EMT
Характеристики
Тип
—
BK 45
B, мм
—
36
Тип болта, мм
—
M8x22
Давление на поверхность ступицы, N/мм2
—
120
Крутящий момент, Nm
—
2350
2 514 руб./шт
Гарантия производителя
Цена действительна при наличии товара на складе.
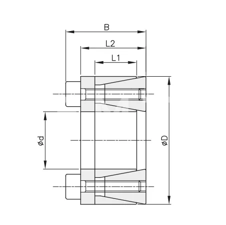
Втулка зажимная BK 45 60 x 88 (KLHH060), EMT применяется для монтажа звезд, шкивов, барабанов и других изделий на цилиндрический, бесшпоночный вал.
Тип
BK 45
B, мм
36
Тип болта, мм
M8x22
Давление на поверхность ступицы, N/мм2
120
Крутящий момент, Nm
2350
Давление на поверхность вала, N/мм2
190
Количество болтов, шт
16
Момент затяжки, Nm
41
Длина втулки L1, мм
18
Нагрузка, KN
78
Длина втулки L2, мм
28
Размер, d x D, мм
60 x 88
Производитель
EMT
Материал
Сталь C45
Вес, кг
0,69

