Втулка зажимная BK 45 (RCK 45) 80x115 (KLHH080), EMT
Арт. BK045080115EMT
Характеристики
Тип
—
BK 45
B, мм
—
45
Тип болта, мм
—
M10x25
Давление на поверхность ступицы, N/мм2
—
120
Крутящий момент, Nm
—
4800
4 494 руб./шт
Гарантия производителя
Цена действительна при наличии товара на складе.
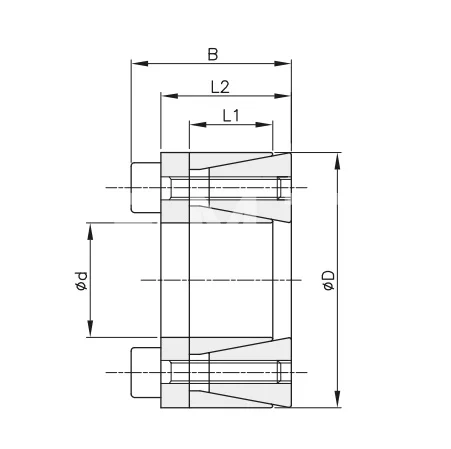
Втулка зажимная BK 45 80 x 115 (KLHH080), EMT применяется для монтажа звезд, шкивов, барабанов и других изделий на цилиндрический, бесшпоночный вал.
Тип
BK 45
B, мм
45
Тип болта, мм
M10x25
Давление на поверхность ступицы, N/мм2
120
Крутящий момент, Nm
4800
Давление на поверхность вала, N/мм2
180
Количество болтов, шт
16
Момент затяжки, Nm
83
Длина втулки L1, мм
22
Нагрузка, KN
120
Длина втулки L2, мм
35
Размер, d x D, мм
80 x 115
Производитель
EMT
Материал
Сталь C45
Вес, кг
1,40

